ArcGIS REST Services Directory Login
JSON | SOAP | WMTS

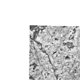
Imagery/Imagery_1977 (ImageServer)

View In:   ArcGIS JavaScript   ArcGIS Online Map Viewer   ArcGIS Earth

Service Description:

The orthoimagery in this image service was taken on 3/9/1977 over the City of Harrisonburg, VA. Data was supplied from James Madison University. Dr. Glen Gustafson's ISAT Applied GIS Lab created this mosaic for the City of Harrisonburg from scanned prints. The dataset's coordinate system is WGS 1984 Web Mercator (Auxiliary Sphere). A cache was built using the ArcGIS Online/Bing Maps/Google Maps tiling scheme containing 11 levels ranging from 1:288,895 to 1:282.

Metadata from JMU Student:

Mathew Rein

April 30, 2004

GEOG 385

Harrisonburg Historical Aerial Photo Mosaic

TASK: Given three historical aerial photographs of Harrisonburg Virginia scan the photos and produce orthophotos. After creating and quality checking the orthophotos create a photo mosaic for use by the Harrisonburg City Government. I was provided with two photos from a March 1977 flight of the city and a third photo from a November 1966 flight. The 1977 photos are at a much smaller scale than the 1966 photo. This would create problems later on in the mosaic process. As for initial visual quality the 1977 images were somewhat bright with little contrast. The 1966 photo has a good balance between brightness and contrast relative to the 1977 imagery.

Process: The first step to creating the final product was to scan the aerial images into the computer. Since the two 1977 photos were at a larger scale I decided to scan them at 800 dpi. I was originally instructed to scan the photos at 600 dpi but considering I wanted to maintain as much detail, especially of road intersections, I felt 800 dpi was a better way to go. I could have scanned them at a higher resolution but I wanted to be able to control the size of the files. The 1966 photo however, was scanned at 600 dpi. After creating digital images I had to gather the rest of my input data. I selected an area of interest based on the coverage of the aerial images and began my search for DRGs and DEMs. I obtained the DRGs from the USDA NRCS lighthouse gateway. I needed twelve DRGs to cover all the area of my photos. I obtained DEMs with 30-meter resolution from the USGS National Elevation Dataset. At this point all the data I had obtained was in TIFF format, I then imported all the data into a .img format because I felt it would work better in the ERDAS native format.

After compiling the datasets necessary for the task I began to create orthophotos. After taking eight credits of remote sensing, producing orthophotos is almost second nature. I did all the standard procedures. My fiducial error was below one pixel for all photos. I projected the photos into UTM NAD 83 to fit the DRGs. I managed to produce a very low RMS error on my GCPs. On 1977 exposure 50 I had twelve GCPs spread around the image with an RMS error of 1.9 pixels. On 1977 exposure 66 I had 17 GCPs with an RMS error of 1.9 pixels. On the 1966 exposure 15 image I had 20 GCPs with and RMS error 0f 2.6 pixels. I felt these GCPs and low RMSE values would be sufficient for the task. I then performed some quality control checks on the orthophotos. I took a quick glance at them overlaid on the DRG on an initial check they lined up very well. The image information screen was also correct. I began to do some quantitative measurements for accuracy of the orthophoto to the DRG. I measured three points from each photo and averaged the error. On 1977 exposure 50 I had an error of 6.1 meters. On 1977 exposure 66 I had an error of 10 meters. And 1966 exposure 15 had and error of 5.7 meters. These values are about the limit of what I would accept for making the mosaic. Since I have such small-scale photos giving each of them a relatively large cell size (3-meters) I felt I could continue and make a good mosaic.

Creating the mosaic was almost like a trial and error approach to creating the best possible product. I produced a total of eight mosaics each one differently before I was happy with the outcome. From my previous experience creating mosaics I wanted to use a feather function to eliminate any trace of a cut line. The feather trial produced no cut line, however it had the same problems as before, creating a double image in one area of the overlap. On about my seventh attempt I decided to create a cut line. The mosaic looked good with the cut line, however I knew it wasn't going to be good enough because I created the cut line in a hurry. I then took more time and carefully created a new cut line for the images. One of the options for the cut line is to feather it. I could feather it in the overlapping sections but this created the same problem as earlier. I then found a way to feather the cut line by a distance that I selected. I chose to feather the cut line by three times the cell resolution (9 meters). This produced a beautiful mosaic with no visible line and no double image from the feather. I used this mosaic as my final product. I created another mosaic using the same technique with all three photos next, but because of differences in resolution, and sharpness it is impossible to make it blend within the other two photos. I am turning in both mosaics to let Harrisonburg decide which one they would rather use.



Name: Imagery/Imagery_1977

Description:

The orthoimagery in this image service was taken on 3/9/1977 over the City of Harrisonburg, VA. Data was supplied from James Madison University. Dr. Glen Gustafson's ISAT Applied GIS Lab created this mosaic for the City of Harrisonburg from scanned prints. The dataset's coordinate system is WGS 1984 Web Mercator (Auxiliary Sphere). A cache was built using the ArcGIS Online/Bing Maps/Google Maps tiling scheme containing 11 levels ranging from 1:288,895 to 1:282.

Metadata from JMU Student:

Mathew Rein

April 30, 2004

GEOG 385

Harrisonburg Historical Aerial Photo Mosaic

TASK: Given three historical aerial photographs of Harrisonburg Virginia scan the photos and produce orthophotos. After creating and quality checking the orthophotos create a photo mosaic for use by the Harrisonburg City Government. I was provided with two photos from a March 1977 flight of the city and a third photo from a November 1966 flight. The 1977 photos are at a much smaller scale than the 1966 photo. This would create problems later on in the mosaic process. As for initial visual quality the 1977 images were somewhat bright with little contrast. The 1966 photo has a good balance between brightness and contrast relative to the 1977 imagery.

Process: The first step to creating the final product was to scan the aerial images into the computer. Since the two 1977 photos were at a larger scale I decided to scan them at 800 dpi. I was originally instructed to scan the photos at 600 dpi but considering I wanted to maintain as much detail, especially of road intersections, I felt 800 dpi was a better way to go. I could have scanned them at a higher resolution but I wanted to be able to control the size of the files. The 1966 photo however, was scanned at 600 dpi. After creating digital images I had to gather the rest of my input data. I selected an area of interest based on the coverage of the aerial images and began my search for DRGs and DEMs. I obtained the DRGs from the USDA NRCS lighthouse gateway. I needed twelve DRGs to cover all the area of my photos. I obtained DEMs with 30-meter resolution from the USGS National Elevation Dataset. At this point all the data I had obtained was in TIFF format, I then imported all the data into a .img format because I felt it would work better in the ERDAS native format.

After compiling the datasets necessary for the task I began to create orthophotos. After taking eight credits of remote sensing, producing orthophotos is almost second nature. I did all the standard procedures. My fiducial error was below one pixel for all photos. I projected the photos into UTM NAD 83 to fit the DRGs. I managed to produce a very low RMS error on my GCPs. On 1977 exposure 50 I had twelve GCPs spread around the image with an RMS error of 1.9 pixels. On 1977 exposure 66 I had 17 GCPs with an RMS error of 1.9 pixels. On the 1966 exposure 15 image I had 20 GCPs with and RMS error 0f 2.6 pixels. I felt these GCPs and low RMSE values would be sufficient for the task. I then performed some quality control checks on the orthophotos. I took a quick glance at them overlaid on the DRG on an initial check they lined up very well. The image information screen was also correct. I began to do some quantitative measurements for accuracy of the orthophoto to the DRG. I measured three points from each photo and averaged the error. On 1977 exposure 50 I had an error of 6.1 meters. On 1977 exposure 66 I had an error of 10 meters. And 1966 exposure 15 had and error of 5.7 meters. These values are about the limit of what I would accept for making the mosaic. Since I have such small-scale photos giving each of them a relatively large cell size (3-meters) I felt I could continue and make a good mosaic.

Creating the mosaic was almost like a trial and error approach to creating the best possible product. I produced a total of eight mosaics each one differently before I was happy with the outcome. From my previous experience creating mosaics I wanted to use a feather function to eliminate any trace of a cut line. The feather trial produced no cut line, however it had the same problems as before, creating a double image in one area of the overlap. On about my seventh attempt I decided to create a cut line. The mosaic looked good with the cut line, however I knew it wasn't going to be good enough because I created the cut line in a hurry. I then took more time and carefully created a new cut line for the images. One of the options for the cut line is to feather it. I could feather it in the overlapping sections but this created the same problem as earlier. I then found a way to feather the cut line by a distance that I selected. I chose to feather the cut line by three times the cell resolution (9 meters). This produced a beautiful mosaic with no visible line and no double image from the feather. I used this mosaic as my final product. I created another mosaic using the same technique with all three photos next, but because of differences in resolution, and sharpness it is impossible to make it blend within the other two photos. I am turning in both mosaics to let Harrisonburg decide which one they would rather use.



Single Fused Map Cache: true

Tile Info: Storage Info: Extent: Initial Extent: Full Extent: Pixel Size X: 3.0

Pixel Size Y: 3.0

Band Count: 1

Pixel Type: U8

RasterFunction Infos: {"rasterFunctionInfos": [{ "name": "None", "description": "", "help": "" }]}

Mensuration Capabilities: Basic

Inspection Capabilities:

Has Histograms: true

Has Colormap: false

Has Multi Dimensions : false

Rendering Rule:

Min Scale: 288895.277144

Max Scale: 0

Resampling: true

Copyright Text: JMU, City of Harrisonburg

Service Data Type: esriImageServiceDataTypeGeneric

Min Values: 0

Max Values: 255

Mean Values: 164.58192014084372

Standard Deviation Values: 50.73973908489903

Object ID Field: OBJECTID

Fields: Default Mosaic Method: Northwest

Allowed Mosaic Methods: NorthWest,Center,LockRaster,ByAttribute,Nadir,Viewpoint,Seamline,None

SortField:

SortValue: null

Mosaic Operator: First

Default Compression Quality: 75

Default Resampling Method: Bilinear

Max Record Count: 1000

Max Image Height: 4100

Max Image Width: 15000

Max Download Image Count: 20

Max Mosaic Image Count: 20

Allow Raster Function: true

Allow Copy: true

Allow Analysis: true

Allow Compute TiePoints: false

Supports Statistics: true

Supports Advanced Queries: true

Use StandardizedQueries: true

Raster Type Infos: Has Raster Attribute Table: false

Edit Fields Info: null

Ownership Based AccessControl For Rasters: null

Child Resources:   Info   Histograms   Statistics   Key Properties   Legend   Raster Function Infos

Supported Operations:   Export Image   Query   Identify   Measure   Compute Histograms   Compute Statistics Histograms   Get Samples   Compute Class Statistics   Query GPS Info   Find Images   Image to Map   Map to Image   Measure from Image   Image to Map Multiray   Query Boundary   Compute Pixel Location   Compute Angles   Validate   Project