ArcGIS REST Services Directory Login
JSON | SOAP | WMTS

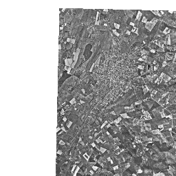
Imagery/Imagery_1937 (ImageServer)

View In:   ArcGIS JavaScript   ArcGIS Online Map Viewer   ArcGIS Earth

Service Description:

The orthoimagery in this image service was taken on 9/21/1937 over the City of Harrisonburg, VA. Data was supplied from James Madison University in 2005. Dr. Glen Gustafson's ISAT Applied GIS Lab created this mosaic for the City of Harrisonburg from prints supplied by the U.S. National Archives and Records Administration (NARA). The dataset's coordinate system is WGS 1984 Web Mercator (Auxiliary Sphere). A cache was built using the the ArcGIS Online/Bing Maps/Google Maps tiling scheme containing 11 levels ranging from 1:288,895 to 1:282. The source image tile format is ERDAS IMAGINE (.img) with a spatial resolution of 0.5 meters.

Metadata from JMU Professor

The attached files were scanned July 14, 2004 by Glen C. Gustafson using an Epson “Expression 1640 XL” large-format scanner. Scanner settings included: 8-bit black and white, 1200 dpi, auto focus, and auto exposure. The original airphotos were 9x9 inch paper prints, created by the National Archives and Records Administration, using auto dodge techniques.

Metadata from JMU Lab Students

By: Carolyn Danforth and Michael Benyo

Title: Airphoto Map

The task of this project was to create an output mosaic in Erdas Imagine of Harrisonburg Virginia with the six original aerial photographs given to us. Exposures 61, 62 and 63 were used from flight FG, roll number 152, and exposures 95, 96 and 97 were used from flight FG, roll number 165, all taken on September 21, 1937.

The original six aerial photos were brought into Erdas Imagine. The quality of each individual aerial photograph was determined in the ImageInfo screen. All of the photos had 0.5 x 0.5 meter spatial resolution and normal histogram distributions. Exposure 95 on flight FG, roll number 165 needed to be horizontally shifted approximately 20 meters to the West. An AOI was made for each of the six original airphotos to cut out the flight number, roll numbers, exposure numbers, and fiducials. The images were subset with their respective AOI areas. The mosaic tool was used in the data preparation module in Erdas. Histogram matching and cutlines were used in the mosaic process. Neither feathering nor smoothing was used. The output mosaiced image was very good, without double images or apparent cutlines. The projection was UTM Zone 17, Clarke 1866, and NAD 27. The mean brightness value was 111, there was one band, and the data was unsigned 8-bit.

A map composition was created in Erdas Imagine under the Composer module. The map composition had a title, grid, scale, north arrow, prepared by statement, source information, as well as the mosaiced image of Harrisonburg, Virginia.



Name: Imagery/Imagery_1937

Description:

The orthoimagery in this image service was taken on 9/21/1937 over the City of Harrisonburg, VA. Data was supplied from James Madison University in 2005. Dr. Glen Gustafson's ISAT Applied GIS Lab created this mosaic for the City of Harrisonburg from prints supplied by the U.S. National Archives and Records Administration (NARA). The dataset's coordinate system is WGS 1984 Web Mercator (Auxiliary Sphere). A cache was built using the the ArcGIS Online/Bing Maps/Google Maps tiling scheme containing 11 levels ranging from 1:288,895 to 1:282. The source image tile format is ERDAS IMAGINE (.img) with a spatial resolution of 0.5 meters.

Metadata from JMU Professor

The attached files were scanned July 14, 2004 by Glen C. Gustafson using an Epson “Expression 1640 XL” large-format scanner. Scanner settings included: 8-bit black and white, 1200 dpi, auto focus, and auto exposure. The original airphotos were 9x9 inch paper prints, created by the National Archives and Records Administration, using auto dodge techniques.

Metadata from JMU Lab Students

By: Carolyn Danforth and Michael Benyo

Title: Airphoto Map

The task of this project was to create an output mosaic in Erdas Imagine of Harrisonburg Virginia with the six original aerial photographs given to us. Exposures 61, 62 and 63 were used from flight FG, roll number 152, and exposures 95, 96 and 97 were used from flight FG, roll number 165, all taken on September 21, 1937.

The original six aerial photos were brought into Erdas Imagine. The quality of each individual aerial photograph was determined in the ImageInfo screen. All of the photos had 0.5 x 0.5 meter spatial resolution and normal histogram distributions. Exposure 95 on flight FG, roll number 165 needed to be horizontally shifted approximately 20 meters to the West. An AOI was made for each of the six original airphotos to cut out the flight number, roll numbers, exposure numbers, and fiducials. The images were subset with their respective AOI areas. The mosaic tool was used in the data preparation module in Erdas. Histogram matching and cutlines were used in the mosaic process. Neither feathering nor smoothing was used. The output mosaiced image was very good, without double images or apparent cutlines. The projection was UTM Zone 17, Clarke 1866, and NAD 27. The mean brightness value was 111, there was one band, and the data was unsigned 8-bit.

A map composition was created in Erdas Imagine under the Composer module. The map composition had a title, grid, scale, north arrow, prepared by statement, source information, as well as the mosaiced image of Harrisonburg, Virginia.



Single Fused Map Cache: true

Tile Info: Storage Info: Extent: Initial Extent: Full Extent: Pixel Size X: 0.5

Pixel Size Y: 0.5

Band Count: 1

Pixel Type: U8

RasterFunction Infos: {"rasterFunctionInfos": [{ "name": "None", "description": "", "help": "" }]}

Mensuration Capabilities: None

Inspection Capabilities:

Has Histograms: true

Has Colormap: false

Has Multi Dimensions : false

Rendering Rule:

Min Scale: 288895.277144

Max Scale: 0

Resampling: true

Copyright Text: NARA, JMU, City of Harrisonburg

Service Data Type: esriImageServiceDataTypeGeneric

Min Values: 0

Max Values: 255

Mean Values: 123.26010768649385

Standard Deviation Values: 51.52295508927556

Object ID Field: OBJECTID

Fields: Default Mosaic Method: Northwest

Allowed Mosaic Methods: NorthWest,Center,LockRaster,ByAttribute,Nadir,Viewpoint,Seamline,None

SortField:

SortValue: null

Mosaic Operator: First

Default Compression Quality: 75

Default Resampling Method: Bilinear

Max Record Count: 1000

Max Image Height: 4100

Max Image Width: 15000

Max Download Image Count: 20

Max Mosaic Image Count: 50

Allow Raster Function: true

Allow Copy: true

Allow Analysis: true

Allow Compute TiePoints: false

Supports Statistics: true

Supports Advanced Queries: true

Use StandardizedQueries: true

Raster Type Infos: Has Raster Attribute Table: false

Edit Fields Info: null

Ownership Based AccessControl For Rasters: null

Child Resources:   Info   Histograms   Statistics   Key Properties   Legend   Raster Function Infos

Supported Operations:   Export Image   Query   Identify   Compute Histograms   Compute Statistics Histograms   Get Samples   Compute Class Statistics   Query GPS Info   Find Images   Image to Map   Map to Image   Measure from Image   Image to Map Multiray   Query Boundary   Compute Pixel Location   Compute Angles   Validate   Project